NEWS

新闻资讯

建筑防水最新国标GB 45320-2025发布!2025年10月1日起,全文强制执行!
发布时间: 2025-10-22 653次浏览
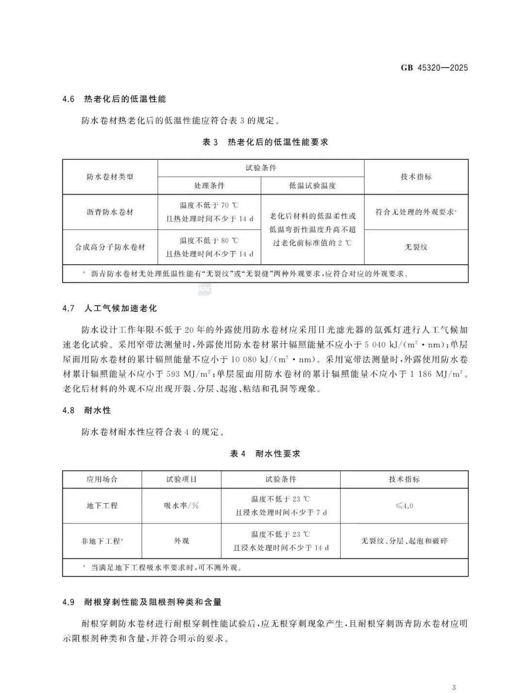
建筑防水最新国标GB 45320-2025发布!2025年10月1日起,全文强制执行!



导语

国家市场监督管理总局(国家标准化管理委员会)发布《关于批准发布〈危险货物分类和品名编号〉等9项强制性国家标准的公告》。其中,国家标准《建筑防水卷材安全和通用技术规范》获批发布,于2025年10月1起实施。


↓↓↓长按查阅下载标准全文↓↓↓
图片


核心技术要求解读


GB 45320-2025《建筑防水卷材安全和通用技术规范》标准的技术要求主要围绕“安全性能”和“耐久通用性能”两大维度展开。所有市场上的防水卷材产品都应符合本标准的规定。


安全性能要求

这部分重点关注材料对人身健康和公共安全的影响

燃烧性能:规定外露使用的防水卷材,其燃烧性能等级不得低于GB 8624中规定的B2级。

有害物质限量:明确要求防水卷材中的总铅(Pb)含量不得超过90mg/kg。这对保障室内外环境安全和施工人员健康具有重要意义。

施工安全:对于热熔施工的沥青防水卷材,要求其沥青涂盖料的闪点不得低于230℃。这能有效降低在高温加热施工过程中发生火灾的风险。


通用与耐久性能要求

这部分旨在确保防水卷材在长期使用下能有效发挥功能

接缝可靠性:对各类卷材的接缝剥离强度和搭接缝不透水性提出了明确指标,要求在经过热老化、浸水等处理后依然能保持性能。

长期耐久性:1、热老化后的低温性能:模拟材料长期使用后的性能变化,要求老化后低温性能衰减不超过规定值。2、人工气候加速老化:对于设计工作年限不低于20年的外露使用卷材,必须通过严格的氙灯老化试验,并达到规定的累计辐照能量要求,且外观无缺陷。这对于单层屋面系统等高要求场合尤其重要。3、耐水性:根据不同应用场合(如地下工程),规定了吸水率或浸水后外观变化的要求。

特殊功能验证:耐根穿刺防水卷材必须通过根穿刺试验,并且沥青类耐根穿刺卷材需要明示所添加的阻根剂种类和含量,确保其有效性。


图片


强制性国家标准《建筑防水卷材安全和通用技术规范》GB 45320-2025由工业和信息化部归口,由全国轻质与装饰装修建筑材料标准化技术委员会建筑防水材料分技术委员会(TC195/SC1)组织推荐。由中国建材检验认证集团苏州有限公司、中建材苏州防水研究院有限公司、中国建筑防水协会、建筑材料工业技术监督研究中心等单位负责起草,标准对建筑防水卷材涉及安全和通用技术内容提出具体要求。主要涉及产品燃烧性能、闪点、总铅、应用性能、耐热老化、耐候性、耐水性、耐根穿刺性能、化学阻根剂种类及含量等技术要求及试验方法。与现行国家标准《建筑与市政工程防水通用规范》GB 55030-2022配套使用,为规范建筑防水卷材的生产和应用提供技术支撑。


图片



标准全文

图片
图片
图片
图片
图片
图片
图片

图片
图片
图片
图片
图片
图片
图片


图片
图片
图片
图片
图片

最新资讯

企业公众号

成都:四川省成都市金牛区华侨城•创想中心A座21楼   制造基地:四川省成都市大邑县工业经济开发区兴业七路56号

重庆:重庆市江北区海尔路176号附68号   制造基地:重庆市潼南区田家工业园青松路289号

15228990208

友情链接:

全国咨询热线

028-87341118或15228990208

售后

400-0789-166

版权所有 Copyright@ 2023 四川金兴防水科技集团有限公司 蜀ICP备2023005631号-1

企业百家号

官方抖音


小程序入口